Amanda Energieprodukte

zukunftsweisend für allumfassende Gesundheit

 

 

Amanda Energy Products

increased vitality

 

 

Home

 

Crystal analysis can testify the extraordinary quality of Amanda Water Vitalisers

 

Dr Hoefer's laboratory for crystal analysis (Hagalis) offers a method to criticize the quality of water, of sick people's blood or of other substances. The sample is brought to crystallization without adding solvents. The structure of the crystals, their distribution in the picture, the sizes of the angles and so on make possible to analyse the quality of the water. These results are reproducible.

The method of crystal analysis is especially interesting because it is possible to show and to study marks of quality on a subtle energy level. It enables to form an opinion on the biological effects of a substance which surpasses by far the chemical analysis of its components. The pictures below make clear that "pure tap water" as we normally get it from the water suppliers may be of very variable quality, sometimes even of rather bad quality. The crystal structures from the untreated tap water of the German town Wangen e.g. are rigid, coarse and badly distributed. This indicates an insufficient quality of the water. The same water treated with the Amanda Pipe Wrap shows many ramified crystals with orderly structures. This indicates good water quality.

Profiting from experience of many years Dr Hoefer knows to read these pictures and to state with which bodily organs a part of the picture corresponds. He assessed that the samples treated with Amanda Water Vitalisers have a very good influence on the rhythmic system of the body and on the circulation. He testifies its comprehensive effectiveness in the whole "highly recommendable".

Crystal analysis clearly proves that Amanda Water Vitalisers are able to transform drinking water of insufficient quality into water with positive effect on the organism! 

sample: untreated water sample: water treated with Amanda Pipe Wrap

Untreated water: water from the German town Wangen (D) 400 times enlarged

The crystal structure is rigid and badly distributed. This indicates pollutants in the water 

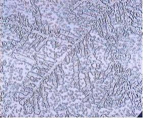
Treated water: The same water treated with Amanda Water Vitaliser (Pipe Wrap), 400 times enlarged

The crystal structure is delicately ramified and very well distributed. A great part of the pollutants does not affect the body any more.

 

sample: untreated water sample treated with Amanda Water Pyramid

Untreated water: water from the German town Überlingen (D) 400 times enlarged

The crystals are well distributed but not clearly shaped. This water isn't polluted but it consists only of little life force. 

 

Treated water: The same water treated with the Amanda Water Pyramid, 400 times enlarged

The crystals grow organically and plantlike. The round spots indicate oxygen. The predominant angle of the structures is 52° which corresponds with the golden section (and with the angle of the pyramid). This water is highly shape giving and is of excellent quality with great healing power.

 

Back to top

Home / Technologie / Produkte / Pyramide/ Wasserbelebung/ Medaillon/ Bodenbelebung / Häufige Fragen / Buch / Referenzen / zufriedene Kunden/ Links/ Kontakt/ English site

English Index/ Technology/ Products/ Pyramids/ Room Harmonisers/ Water Vitalisers/ Medallion/ Soil Vitaliser/ FAQ/ References/ Testimonials/ Links/ Contact/ Deutsche Seite

Stand: 21. Mai 2004

© Amanda Energieprodukte, Affoltern a. A.

Schweiz